18014654455
CN
EN
Home
About TMEC
Company
Download
Case
Ship
Rigging
Products
Anchor
Anchor chains andfitings
Anchor chains
Accessory
Rigging
Poluester ligting slings
Car towing belt
Lifting clamps
Shackle parts
Wire Rope Accessories
Rigging fittings
Slings
Outfittings
Chock Type
DIN Standard
Chain catcher
Chain wheel
Chains
Lifting chain
Hatch board chains
Stainless Steel Chain
Deck Machinery
Marine windlass
Capstans
Anchor winch combination machine
Marine winch
Anchor Chains
Anchors
Outfittings
Rigging
Contact Us
Accessory
Your location:
home page
> Products > 船用钢铁锚 >
Accessory
Products
◆ Anchor
◆ Anchor chains andfitings
Anchor chains
Accessory
◆ Rigging
Wire Rope Accessories
Shackle parts
Poluester ligting slings
Car towing belt
Lifting clamps
Rigging fittings
Slings
◆ Outfittings
Chain wheel
Chain catcher
DIN Standard
Chock Type
◆ Chains
Lifting chain
Hatch board chains
Stainless Steel Chain
◆ Deck Machinery
Marine windlass
Capstans
Marine winch
Anchor winch combination machine
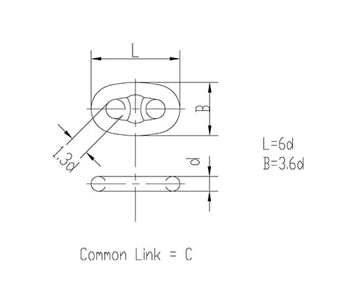
Common link
Add time:2021-12-15 11:10:01 Number of views:1349
Function introduction
Home
Tel
Product