
| Nominal dia.Φ | d1 | d2 | H | kg | |
| 250 | 350 | 380 | 177 | 77.5 | |
| 300 | 400 | 440 | 197 | 109 | |
| 350 | 460 | 500 | 217 | 158 | |
| 400 | 520 | 560 | 237 | 206 | |
| 450 | 590 | 630 | 257 | 275 | |
| 500 | 660 | 700 | 277 | 354 | |
Your location:home page > Products > 船用锚链及附件 > Chain wheel

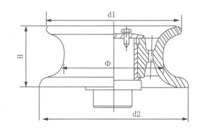
| Nominal dia.Φ | d1 | d2 | H | kg | |
| 250 | 350 | 380 | 177 | 77.5 | |
| 300 | 400 | 440 | 197 | 109 | |
| 350 | 460 | 500 | 217 | 158 | |
| 400 | 520 | 560 | 237 | 206 | |
| 450 | 590 | 630 | 257 | 275 | |
| 500 | 660 | 700 | 277 | 354 | |