Chock Type

Your location:
home page > Products > 船用锚链及附件 >
Chock Type
-
Products
-
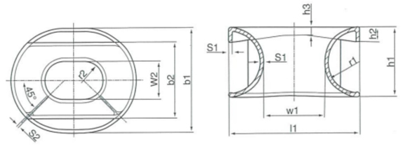
Chock Type C
Add time:2022-01-19 09:34:10
Number of views:1221

| Max.steel wire dia. |
Hemp rope C. |
Max.nylon wire dia. |
L |
L1 |
B |
B1 |
B2 |
B3 |
H |
H1 |
R |
R1 |
b2 |
b3 |
t |
Weight Kg |
| 15.0 |
125 |
30 |
150 |
400 |
110 |
170 |
118 |
60 |
250 |
115 |
48 |
102 |
40 |
26 |
25 |
37.5 |
| 18.5 |
160 |
35 |
200 |
500 |
150 |
190 |
139 |
71 |
317 |
146 |
65 |
133 |
50 |
32 |
30 |
63 |
| 22.5 |
200 |
45 |
250 |
600 |
190 |
220 |
161 |
82 |
382 |
177 |
85 |
165 |
55 |
36 |
35 |
97 |
| 28.0 |
230 |
55 |
300 |
650 |
220 |
250 |
172 |
88 |
436 |
198 |
95 |
203 |
60 |
42 |
40 |
127 |
| 38.5 |
270 |
70 |
400 |
750 |
290 |
280 |
185 |
95 |
513 |
240 |
125 |
273 |
65 |
47 |
45 |
210 |
| 43.5 |
325 |
90 |
500 |
880 |
350 |
300 |
199 |
102 |
589 |
277 |
147 |
350 |
70 |
51 |
50 |
296 |