Chock Type

Your location:
home page > Products > 船用锚链及附件 >
Chock Type
-
Products
-
Chock Type A
Add time:2022-01-19 09:41:40
Number of views:1185

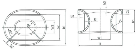
| Type |
Wire W.L.(Kn) |
b1 |
b2 |
h1 |
h2 |
h3 |
l1 |
r1 |
r2 |
s1 |
s2 |
w1 |
w2 |
Weight (Kg) |
| A2 |
20 |
315 |
225 |
200 |
70 |
25 |
360 |
100 |
57.5 |
12 |
6 |
160 |
115 |
26 |
| A3 |
30 |
390 |
275 |
250 |
75 |
32 |
450 |
125 |
70 |
14 |
7 |
200 |
140 |
42 |
| A5 |
50 |
480 |
340 |
300 |
80 |
38 |
550 |
150 |
90 |
16 |
8 |
250 |
180 |
74 |
| A8 |
80 |
585 |
415 |
360 |
90 |
45 |
680 |
180 |
112.5 |
18 |
9 |
320 |
225 |
120 |
| A12 |
125 |
710 |
500 |
440 |
110 |
55 |
840 |
220 |
135 |
20 |
10 |
400 |
270 |
185 |
| A20 |
200 |
840 |
595 |
520 |
130 |
65 |
1020 |
260 |
160 |
22 |
11 |
500 |
320 |
285 |
| A32 |
320 |
1100 |
800 |
700 |
150 |
80 |
1300 |
350 |
200 |
35 |
20 |
600 |
400 |
795 |