Chain wheel

Your location:
home page > Products > 船用锚链及附件 >
Chain wheel
-
Products
-
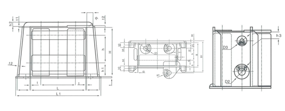
Japanese standard five-roller fairlead-Type BR
Add time:2022-01-19 11:23:45
Number of views:1113

| Nominal dia.Φ |
Frame |
| B |
B1 |
b |
b1 |
b2 |
b3 |
b4 |
D |
D1 |
D2 |
D3 |
H |
h |
h1 |
h2 |
h3 |
L |
L1 |
| 140 |
310 |
390 |
150 |
69 |
20 |
45 |
25 |
90 |
140 |
120 |
80 |
480 |
275 |
130 |
40 |
50 |
515 |
805 |
| 160 |
360 |
460 |
175 |
82 |
22 |
65 |
35 |
110 |
160 |
140 |
90 |
515 |
290 |
145 |
45 |
60 |
570 |
890 |
| 180 |
410 |
525 |
200 |
95 |
24 |
80 |
40 |
135 |
180 |
150 |
100 |
560 |
315 |
155 |
50 |
70 |
620 |
960 |
| 200 |
460 |
583 |
225 |
108 |
26 |
90 |
45 |
160 |
200 |
160 |
110 |
590 |
330 |
170 |
60 |
80 |
675 |
1049 |
| 250 |
565 |
701 |
280 |
133 |
30 |
105 |
55 |
200 |
250 |
200 |
130 |
715 |
415 |
195 |
75 |
90 |
825 |
1303 |
| 315 |
670 |
824 |
330 |
159 |
34 |
125 |
65 |
240 |
300 |
240 |
160 |
870 |
520 |
220 |
90 |
100 |
980 |
1562 |
| Nominal dia.Φ |
Frame |
Leg of weld |
Weight Kg |
| l |
l1 |
l2 |
l3 |
l4 |
R |
R1 |
t |
t1 |
t2 |
t3 |
t4 |
f |
f1 |
f2 |
f3 |
| 140 |
335 |
120 |
60 |
50 |
20 |
40 |
70 |
12 |
10 |
16 |
6 |
20 |
9 |
6 |
12 |
4 |
235 |
| 160 |
365 |
135 |
65 |
50 |
20 |
45 |
85 |
14 |
10 |
18 |
8 |
22 |
9 |
7 |
12 |
6 |
353 |
| 180 |
390 |
145 |
70 |
50 |
20 |
50 |
95 |
16 |
10 |
20 |
10 |
24 |
9 |
9 |
12 |
8 |
496 |
| 200 |
420 |
160 |
80 |
50 |
20 |
60 |
110 |
18 |
12 |
22 |
10 |
26 |
10 |
10 |
14 |
8 |
648 |
| 250 |
520 |
210 |
105 |
60 |
25 |
75 |
135 |
20 |
14 |
26 |
12 |
30 |
10 |
12 |
14 |
10 |
1176 |
| 315 |
620 |
260 |
130 |
60 |
25 |
90 |
160 |
22 |
16 |
30 |
14 |
34 |
12 |
14 |
16 |
10 |
2050 |