Chain wheel

Your location:
home page > Products > 船用锚链及附件 >
Chain wheel
-
Products
-
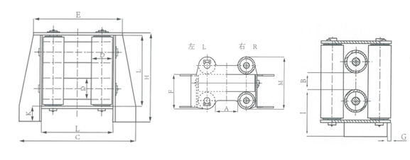
German standard five or six-roller fairlead
Add time:2022-01-19 12:04:27
Number of views:1127

| Type |
Wireφ |
A |
B |
C |
D |
E |
F |
G |
H |
I |
K |
L |
M |
Weight(Kg) |
| 1 |
2 |
| CFL 2 |
-12 |
180 |
100 |
650 |
80 |
446 |
170 |
10 |
465 |
208 |
80 |
356 |
255 |
85 |
95 |
| CFR 2 |
| CFA 2 |
| CFL 3 |
-16 |
230 |
130 |
800 |
100 |
546 |
210 |
10 |
575 |
258 |
100 |
446 |
315 |
145 |
165 |
| CFR 3 |
| CFA 3 |
| CFL 5 |
-20 |
250 |
130 |
900 |
120 |
626 |
250 |
15 |
655 |
308 |
120 |
506 |
375 |
255 |
290 |
| CFR 5 |
| CFA 5 |
| CFL 8 |
-24 |
280 |
160 |
1000 |
140 |
716 |
288 |
20 |
730 |
328 |
120 |
576 |
432 |
390 |
440 |
| CFR 8 |
| CFA 8 |
| CFL 12 |
-32 |
300 |
160 |
1200 |
180 |
836 |
366 |
25 |
855 |
398 |
140 |
676 |
549 |
665 |
750 |
| CFR 12 |
| CFA 12 |
| CFL 20 |
-40 |
320 |
180 |
1350 |
245 |
1030 |
500 |
35 |
1045 |
505 |
180 |
830 |
750 |
1300 |
1450 |
| CFR 20 |
| CFA 20 |
| CFL 32 |
-48 |
400 |
250 |
1700 |
300 |
1236 |
608 |
45 |
1260 |
583 |
200 |
1016 |
912 |
2400 |
2700 |
| CFR 32 |
| CFA 32 |