
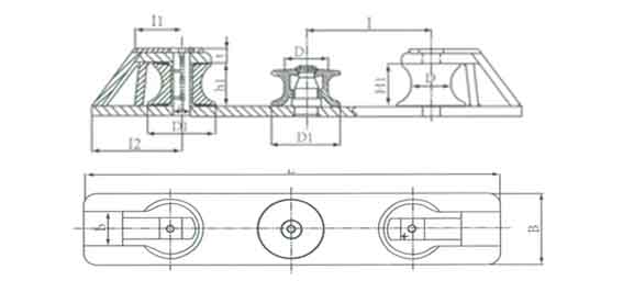
| 公称尺寸 Nominal size |
适用缆索破断负荷 Chain's MBL(KN) |
适用缆索直径 Max. dia.of chain |
本体 Body |
端部滚轮 End roller |
端部轴 End exle d |
中部滚轮 Mid roller |
中部轴 Mid exle d1 |
重量 weight kg |
||||||||||||||
| 钢索 Steel wire |
合成纤维索 Synthetic fiber rope |
L | B | l | l1 | l2 | b | h1 | D | D1 | H1 | D | D1 | H1 | ||||||||
| 6x24 | 6x37 | |||||||||||||||||||||
| 75 | 23.3 | 7.4 | - | 12 | 550 | 170 | 150 | 80 | 125 | 75 | 70 | 75 | 120 | 64 | 22 | 75 | 120 | 64 | 34 | 27 | ||
| 100 | 52.5 | 11 | - | 18 | 750 | 200 | 210 | 105 | 165 | 100 | 92 | 100 | 160 | 86 | 32 | 100 | 160 | 86 | 48 | 60 | ||
| 125 | 93.4 | 15 | - | 24 | 920 | 250 | 260 | 126 | 200 | 125 | 108 | 125 | 200 | 102 | 40 | 125 | 200 | 102 | 63 | 116 | ||
| 150 | 145.8 | 18.5 | - | 30 | 1120 | 300 | 320 | 150 | 240 | 150 | 126 | 150 | 240 | 120 | 50 | 150 | 240 | 120 | 75 | 198 | ||
| 200 | 246.6 | 24 | - | 40 | 1420 | 370 | 410 | 191 | 300 | 200 | 161 | 200 | 310 | 154 | 63 | 200 | 310 | 154 | 95 | 398 | ||
| 250 | 373.6 | 30 | - | 48 | 1780 | 470 | 520 | 239 | 370 | 240 | 191 | 250 | 400 | 184 | 75 | 250 | 400 | 184 | 120 | 767 | ||
| 300 | 472.7 | 33.5 | - | 56 | 2120 | 550 | 620 | 284 | 440 | 290 | 231 | 300 | 480 | 224 | 90 | 300 | 480 | 224 | 140 | 1240 | ||
| 350 | 583.5 | 37.5 | 34.5 | 64 | 2440 | 640 | 720 | 322 | 500 | 340 | 251 | 350 | 560 | 244 | 100 | 350 | 560 | 244 | 150 | 1795 | ||


CN
EN
Your location:
Home
Tel
Product