
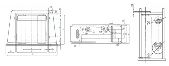
| 公称直径 Nominal dia.Φ |
结构 Frame | ||||||||||||||||||
| B | B1 | b | b1 | b2 | D | D1 | D2 | D3 | H | h | h1 | h2 | L | L1 | l | l1 | l2 | ||
| 140 | 310 | 355 | 150 | 69 | 20 | 90 | 140 | 120 | 80 | 480 | 275 | 130 | 40 | 515 | 805 | 335 | 120 | 60 | |
| 160 | 360 | 405 | 175 | 82 | 22 | 110 | 160 | 140 | 90 | 515 | 290 | 145 | 45 | 570 | 890 | 365 | 135 | 65 | |
| 180 | 410 | 455 | 200 | 95 | 24 | 135 | 180 | 150 | 100 | 560 | 315 | 155 | 50 | 620 | 960 | 390 | 145 | 70 | |
| 200 | 460 | 505 | 225 | 108 | 26 | 160 | 200 | 160 | 110 | 590 | 330 | 170 | 60 | 675 | 1049 | 420 | 160 | 80 | |
| 250 | 565 | 610 | 280 | 133 | 30 | 200 | 250 | 200 | 130 | 715 | 415 | 195 | 75 | 825 | 1303 | 520 | 210 | 105 | |
| 315 | 670 | 715 | 330 | 159 | 34 | 240 | 300 | 240 | 160 | 870 | 520 | 220 | 90 | 980 | 1562 | 620 | 260 | 130 | |
| 公称直径 Nominal dia.Φ |
结构 Frame | 钢索直径 Steel wire dia. |
打开尺寸(长x宽) Opening dia. (long x wide) |
重量 Weight Kg |
||||||||||
| l3 | l4 | R | t | t1 | t2 | t3 | t4 | |||||||
| 140 | 50 | 20 | 40 | 12 | 10 | 16 | 6 | 20 | 18 | 148x195 | 187 | |||
| 160 | 50 | 20 | 45 | 14 | 10 | 18 | 8 | 22 | 22.4 | 150x200 | 277 | |||
| 180 | 50 | 20 | 50 | 16 | 10 | 20 | 10 | 24 | 25 | 150x199 | 387 | |||
| 200 | 50 | 20 | 60 | 18 | 12 | 22 | 10 | 26 | 28 | 152x204 | 510 | |||
| 250 | 60 | 25 | 75 | 20 | 14 | 26 | 12 | 30 | 35.5 | 199x253 | 900 | |||
| 315 | 60 | 25 | 90 | 22 | 16 | 30 | 14 | 34 | 42.5 | 253x302 | 1230 | |||


中文
英文
您的位置:
苏公网安备32099502000703号
首页
咨询
产品