
| 公称直径 Nominal dia.Φ |
结构 Frame | ||||||||||||||||||
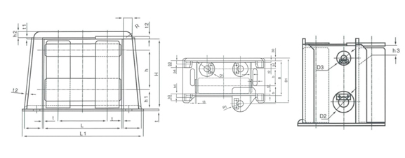
| B | B1 | b | b1 | b2 | b3 | b4 | D | D1 | D2 | D3 | H | h | h1 | h2 | h3 | L | L1 | ||
| 140 | 310 | 390 | 150 | 69 | 20 | 45 | 25 | 90 | 140 | 120 | 80 | 480 | 275 | 130 | 40 | 50 | 515 | 805 | |
| 160 | 360 | 460 | 175 | 82 | 22 | 65 | 35 | 110 | 160 | 140 | 90 | 515 | 290 | 145 | 45 | 60 | 570 | 890 | |
| 180 | 410 | 525 | 200 | 95 | 24 | 80 | 40 | 135 | 180 | 150 | 100 | 560 | 315 | 155 | 50 | 70 | 620 | 960 | |
| 200 | 460 | 583 | 225 | 108 | 26 | 90 | 45 | 160 | 200 | 160 | 110 | 590 | 330 | 170 | 60 | 80 | 675 | 1049 | |
| 250 | 565 | 701 | 280 | 133 | 30 | 105 | 55 | 200 | 250 | 200 | 130 | 715 | 415 | 195 | 75 | 90 | 825 | 1303 | |
| 315 | 670 | 824 | 330 | 159 | 34 | 125 | 65 | 240 | 300 | 240 | 160 | 870 | 520 | 220 | 90 | 100 | 980 | 1562 | |
| 公称直径 Nominal dia.Φ |
结构Frame | 焊角 Leg of weld | 重量 Weight Kg |
||||||||||||||||
| l | l1 | l2 | l3 | l4 | R | R1 | t | t1 | t2 | t3 | t4 | f | f1 | f2 | f3 | ||||
| 140 | 335 | 120 | 60 | 50 | 20 | 40 | 70 | 12 | 10 | 16 | 6 | 20 | 9 | 6 | 12 | 4 | 235 | ||
| 160 | 365 | 135 | 65 | 50 | 20 | 45 | 85 | 14 | 10 | 18 | 8 | 22 | 9 | 7 | 12 | 6 | 353 | ||
| 180 | 390 | 145 | 70 | 50 | 20 | 50 | 95 | 16 | 10 | 20 | 10 | 24 | 9 | 9 | 12 | 8 | 496 | ||
| 200 | 420 | 160 | 80 | 50 | 20 | 60 | 110 | 18 | 12 | 22 | 10 | 26 | 10 | 10 | 14 | 8 | 648 | ||
| 250 | 520 | 210 | 105 | 60 | 25 | 75 | 135 | 20 | 14 | 26 | 12 | 30 | 10 | 12 | 14 | 10 | 1176 | ||
| 315 | 620 | 260 | 130 | 60 | 25 | 90 | 160 | 22 | 16 | 30 | 14 | 34 | 12 | 14 | 16 | 10 | 2050 | ||


中文
英文
您的位置:
苏公网安备32099502000703号
首页
咨询
产品